Болт мебельный оцинкованный с квадратным подголовником ГОСТ 7802-81 6х60 в Москве
Назад в каталог
Купить в один клик
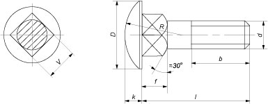
Болт ГОСТ 7802-81 с увеличенной полукруглой головкой и квадратным подголовником, предотвращающим проворачивание болта, применяется для скрепления деревянных и строительных конструкций в мебельной и строительной промышленности, в монтаже дорожных и мостовых ограждений (болт М16×45), для крепления узлов и деталей в машиностроении.

Технические характеристики:
- Марки стали: 10кп, 20кп.
- Класс точности: C.
- Поле допуска резьбы: 8g.
- Класс прочности: 4,8; 5,8.
| Параметры болта* | Номинальный диаметр резьбы d | ||||||||
| М5 | М6 | М8 | М10 | М12 | M16 | М20 | М24 | ||
| Шаг резьбы, P | 0,8 | 1 | 1,25 | 1,5 | 1,75 | 2 | 2,5 | 3 | |
| Диаметр головки, D | 11 | 14 | 18 | 23 | 28 | 35 | 44 | 52 | |
| Высота головки, k | 2,5 | 3 | 4 | 5 | 6 | 8 | 10 | 12 | |
| Радиус сферы, R | 8 | 11 | 14 | 18 | 22 | 26 | 32 | 39 | |
| Размер стороны квадартного подголовника, V | 5 | 6 | 8 | 10 | 12 | 16 | 20 | 24 | |
| Высота подголовка f, не менее | 3 | 4 | 5 | 6 | 8 | 10 | 12 | 15 | |
| Длина резьбовой части, b | L≤120 | 16 | 18 | 22 | 26 | 30 | 38 | 46 | 54 |
| L>120 | 32 | 36 | 44 | 52 | 60 | ||||
| Длина болта l, мм | Теоретическая масса 1000 шт. болтов, кг. при номинальном диаметре резьбы d | |||||||
| М5 | М6 | М8 | М10 | М12 | M16 | М20 | М24 | |
| 12 | 2,699 | 4,612 | ||||||
| 14 | 2,936 | 4,95 | 10,1 | 19,39 | ||||
| 16 | 3,172 | 5,288 | 10,71 | 21,34 | ||||
| 20 | 3,644 | 5,964 | 11,94 | 23,79 | 34,76 | |||
| 25 | 4,235 | 6,809 | 13,48 | 26,22 | 38,3 | 75,6 | 133,4 | |
| 30 | 4,825 | 7,655 | 15,02 | 28,67 | 41,84 | 82,13 | 143,6 | |
| 35 | 5,416 | 8,5 | 16,56 | 31,11 | 45,38 | 88,66 | 153,8 | |
| 40 | 6,006 | 9,345 | 18,1 | 33,55 | 48,92 | 95,18 | 164,1 | |
| 45 | 6,596 | 10,196 | 19,64 | 35,99 | 52,46 | 101,71 | 174,3 | |
| 50 | 7,187 | 11,036 | 21,18 | 38,44 | 56 | 108,24 | 184,5 | |
| 55 | 7,746 | 11,881 | 22,72 | 40,88 | 59,54 | 114,77 | 194,8 | |
| 60 | 8,336 | 12,726 | 24,26 | 43,32 | 63,08 | 121,23 | 205 | |
| 65 | 8,926 | 13,574 | 25,8 | 45,76 | 66,62 | 127,82 | 215,2 | |
| 70 | 9,516 | 14,417 | 27,34 | 48,2 | 70,17 | 134,35 | 225,5 | |
| 75 | 15,262 | 28,88 | 50,65 | 73,71 | 140,87 | 235,7 | 366,4 | |
| 80 | 16,107 | 30,42 | 55,53 | 77,25 | 147,4 | 245,9 | 381,2 | |
| 90 | 17,798 | 33,5 | 60,41 | 84,33 | 160,45 | 266,4 | 410,6 | |
| 100 | 19,488 | 36,57 | 65,3 | 91,41 | 173,51 | 286,9 | 440,1 | |
| 110 | 39,65 | 70,18 | 98,49 | 186,56 | 307,4 | 469,6 | ||
| 120 | 42,73 | 75,1 | 105,57 | 199,62 | 327,8 | 499 | ||
| 130 | 45,81 | 79,95 | 112,65 | 212,67 | 348,3 | 528,5 | ||
| 140 | 48,89 | 84,84 | 119,73 | 225,72 | 368,8 | 558 | ||
| 150 | 51,97 | 89,72 | 126,81 | 238,78 | 389,2 | 587,4 | ||
| 160 | 55,05 | 94,61 | 133,89 | 251,83 | 409,7 | 616,9 | ||
| 170 | 58,13 | 99,49 | 140,97 | 264,87 | 430,2 | 646,4 | ||
| 180 | 61,21 | 104,37 | 148,05 | 277,94 | 450,6 | 675,8 | ||
| 190 | 64,29 | 109,26 | 155,13 | 290,99 | 471,1 | 705,3 | ||
| 200 | 67,37 | 119,02 | 162,22 | 304,04 | 491,6 | 734,8 | ||
| 220 | 73,53 | 128,79 | 176,38 | 330,15 | 532,6 | 793,8 | ||
| 240 | 138,56 | 190,54 | 366,26 | 573,6 | 852,8 | |||
| 260 | 204,7 | 382,37 | 614,6 | 911,8 | ||||
Доставка товаров по Москве и России:
Доставка по Москве и МОДоставка производится в течении 1-2 дней после подтверждения оплаты. Время доставки предварительно согласуется по телефону.
СТОИМОСТЬ ДОСТАВКИ:
- При заказе товара на сумму до 40 000 руб. весом до 700 кг – стоимость доставки в пределах МКАД 1000 руб.
- При заказе товаров на сумму от 40 000 руб. весом до 1 т бесплатная.
- Стоимость доставки груза свыше 1 т необходимо уточнить у менеджера.
Доставка в регионы России
Мы БЕСПЛАТНО подвозим заказы до транспортных компаний “Деловые линии”, “Регион Групп”, “ПЭК” и “СДЭК”
Интернет-магазин «Юниформ Металл» предлагает болт в любых необходимых количествах. Благодаря высокому качеству крепеж данного типа позволит выполнить быструю и надежную фиксацию деталей с помощью резьбового соединения.
При производстве болтов использована высококачественная сталь 10кп стойкая к деформациям и коррозии. Изделие изготовлено согласно нормам 7802-81. Оно имеет точную геометрию, отвечающую категории С, и большую прочность, соответствующую классу 3,6; 4,6; 4,8; 5,8. Поле допуска его резьбы составляет 6g; 8g — для болтов по ТУ 14-4-1760-94.
Чтобы купить болт по доступной цене с доставкой по Москве и в другие города России, добавьте товар в «Корзину» и приступите к оформлению заказа. Также Вы можете позвонить или отправить заявку в свободной форме на электронную почту.
Страница товара:
Болт мебельный оцинкованный с квадратным подголовником ГОСТ 7802-81
- Стоимость доставки
- Доставка по Москве и области
- Заказ на сумму не более 15 000 руб. весом до 1 т – доставка по Москве – 1000 руб.
- Заказ на сумму от 20 000 руб. весом до 1 т – доставка в пределах МКАД – 800 руб.
- Заказ на сумму от 35 000 руб. весом до 1 т – доставка в пределах МКАД – бесплатно.
- Доставка за пределы МКАД – 1000 руб. + 20 руб./км
- Стоимость доставки груза свыше 1 т необходимо уточнить у менеджера.
- Доставка в регионы России
- Мы бесплатно подвозим заказы до следующих транспортных компаний:
- «Автотрейдинг»
- «Деловые линии»
- Тарифы и города доставки можно посмотреть на их сайтах.
- Услуги транспортной компании оплачивает покупатель.